
Модуль интеллектуального TFT-LCD
Модель
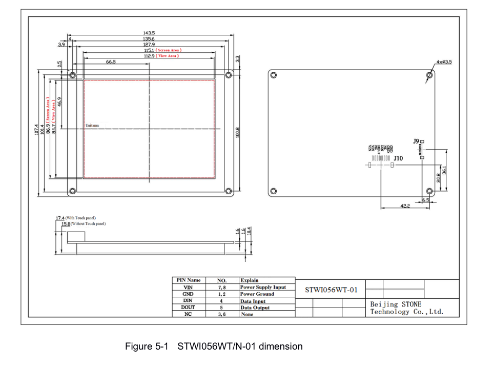
STWI056WT/N-01
5,6 дюймов HMI ЖК-дисплей Встроенный монитор с контроллером + TTL RS485 RS232 + Разработка программного обеспечения
ВSTWI056WT/N-01Была задумана какTFT мониторИСенсорный контроллер.Он включает в себя процессор, программу управления, драйвер, флэш-память, RS232/RS422 / RS485/ TTL / LAN порт, Wi-Fi/Bluetooth, Сенсорный экран, источник питания и т. Д., поэтому это целая система отображения, основанная на мощной и легкой операционной системе,Который может управляться любым MCU.
ВSTWI056WT/N-01Может использоваться для выполнения всех основных функций, таких как отображение текста, отображение изображения, кривой дисплей, а также функции касания, видео и аудио функции и т. Д. Пользовательский интерфейс может быть более широким и разнообразным. И флэш-память может хранить ваши данные, файлы конфигурации, файл изображения, файл шрифта, видео файл и аудио файл и т. Д.








Физический параметр |
|
Размеры |
5,6 дюймов |
РесолУTion |
640× Rgb× 480 |
ПиксельРасстояние |
0,0588 (Вт)×0,1764 (H) мм |
Цвет |
262144 цветов(18 бит) |
VIewing область |
112,896 (Ш) × 84,672 (В) мм |
Размер дисплея |
115,1 мм × 86,9 мм |
Общий размер |
143,5 мм × 107,4 мм × 17,4 мм (T) (Стандартный тип) 143,5 мм × 107,4 мм × 23,8 мм (T) (С портом Ethernet) |
Вес нетто |
275 г (T) |
Дисплей |
|
Тип подсветки |
Светодиодный |
Яркость |
300 кд/м2 (Яркость может регулироваться на 100 уровней) |
Контрастность |
500:1 |
Срок службы подсветки |
30000 часов |
Угол обзора |
70 °/70 °/50 °/70 °(L/R/U/D) |
Панель TFT |
Промышленная панель класса А |
Сенсорный экран |
4 провода Сопротивление сенсорный/емкостный сенсорный/без сенсорного экрана |
Режим экрана: |
Цифровой |
Процессор |
CortexA8 |
Частота обновления |
1 г Гц |
Максимальная частота кадров |
60 кадров в секунду |
ВспышкаПамять |
Стандарт 256МБ,Удлинение1ГБИли 2ГБ |
Объем памяти дляИзображение |
В соответствии сВозможностьИзображения, предлагаем"PNG, BMP,JPG, SVG, GIF"Формат. |
Интерфейс |
|
Серийный интерфейс |
RS232/RS422/RS485/Уровень TTL |
Интерфейс Ethernet |
10 м/100 м (опционально) |
Беспроводной интерфейс |
Беспроводным доступом в Интернет-FI/Bluetooth (опционально) |
ПЗагрузка файла roject |
Usb-накопитель USB 2,0 |
Номинальное напряжение |
+ 12 В постоянного тока или + 5 В постоянного тока |
Допустимый диапазон напряжения |
+ 7 В постоянного тока... + 28 В постоянного тока или + 5 В постоянного тока |
Макс. Допустимые переходные процессы |
+ 28 в |
Время между двумя переходными режимами |
Минимум 50 сек |
Внутренний предохранитель |
2а Самовосстанавливающийся Предохранитель |
Энергопотребление |
2,2 Вт |
Электрические характеристики |
||||
Параметр |
Состояние |
Мин |
Тип |
Макс. |
Ток подачи |
Вин = 12 В (Максимальная яркость) |
240ма |
||
Вин = 12 В (Близкая яркость) |
130 мА |
|||
Скорость передачи данных |
115200 БПС |
|||
Сигнал |
||||
Условия окружающей среды |
|
Макс. Допустимая температура окружающей среды Управление Хранение |
-30℃ ~+80℃ -30℃ ~+ 80℃ |
Относительная влажность Управление Хранение |
55℃, 85% 60℃, 90% |
Ударная загрузка Управление Хранение |
15g/11 msec 25 г/6 мс |
Вибрация Управление Хранение |
0,035 мм (10 - 58 Гц)/ 1 г (58 - 500 Гц) 3,5 мм (5 - 8,5 Гц)/ 1g (8,5-500 Гц) |
Барометрическое давление Управление Хранение |
706 до 1030 hPa От 581 до 1030 hPa |
Статический разряд (Контактный разряд/Воздушный разряд) |
EN 61000-4-2 6 кВ/8 кВ |
Радиочастотное излучение |
EN 61000-4-3 10 В/м, 80% AM 1 кГц |
|
Импульсная модуляция |
ENV 50204 900 МГц±5 МГц 10 V/meff., 50% ED, 200 Гц |
|
RF проводимость |
EN 61000-4-6 150 кГц-80 МГц 10 в, 80% AM, 1 кГц |
Взрыв помех Линии поставки Технологические линии передачи данных Сигнальные линии |
EN 61000-4-4 2КВ 2КВ 1КВ |
Радиопомехи |
|
Уровень радиопомех, соответствующий EN 55011 |
Класс А |
Поддерживающее устройство |
|
Порт UART |
Поддержка RS232/ RS422/RS485/ TTL |
Сетевой порт |
Поддержка Порт Ethernet/Wi-Fi/Bluetooth |
Флэш-память |
Поддержка Standard256MB, Extend1GB или 2GB |
Зуммер |
Поддержка |
RTC |
Поддержка |
Usb-порт |
Поддержка Онлайн загрузка по USB кабелю |
УХранениеИнтерфейс диска |
Поддержка. Загрузка или копирование пользовательских данных в автономном режиме |
Сенсорный экран |
4 провода сопротивления/Емкостный |
ВекторШрифт |
СтэнDard TTFFОрмат |
Изображение |
Поддержка формата PNG/JPG/BMP/SVG/GIF |
Аудиоинтерфейс |
Поддерживаемый формат Длина одного аудиофайла не ограничена, теоретически до 4096 аудиофайлов, мощность динамика 8 Ом 2 Вт или 4 Ом 3 Вт |
Набор команд |
Унифицированные упрощенные наборы команд |

Отзывы о других товарах
[2019-12-12 22:13:24]Татьяна: Всем здравствуйте. Такую модель телефона мы покупали на aliexpress. У него отличный дизайн. Процессор отлично тянет ПУБГ на максимальных настройках, за час ни капли не нагрелся. Call of duty летает на максималках. Камера 64 мегапикселя, снимает четко и прекрасно передает цвет. ...Читать полностью...
[2019-12-12 22:51:47]Мария: Оттенки приятные, пастельные и теплые. Рисунок тоже - цветочки да бабочки. Фасон не приталенный, плюс, жатая ткань, все это скрывает недочеты моей полноватой фигуры. Надела, гляжусь в зеркало, и не замечаю ни отсутствия талии, ни обвисающей груди. Кожа дышит, думаю, летом ...Читать полностью...
[2019-12-12 22:13:11]Мария: Искала нечто сексуальное для вечеринок. Здесь же что ни деталь, то просто воплощение страстности. Эти следы огромных напомаженных губ, открытая спина, обтягивающий фасон. Юбка у меня заканчивается ниже, чем тут у модели, поскольку я миниатюрного роста. Но платье не теряет соблазнительности ...Читать полностью...
[2019-12-12 23:07:34]Николай Черных: Всем приветик!. Данную модель телефона мы брали на aliexpress. У него превосходный внешний вид. Процессорный чип отлично тянет пабг на наибольших настройках, за час вообще не нагрелся. Камера 64 мегапикселя, снимает четко и прекрасно передает цвет. Кроме всего прочего, продвинутый ...Читать полностью...
[2019-12-12 23:10:27]Людмила: Заказывала на Aliexpress.Посылка пришла быстро.Подарила мужу на день рождения, ему очень понравились, по моему мнению они очень стильные и красивые, муж говорит, что они более спортивные.Мощный чёрный браслет и увесистый циферблат, хотя они сами довольно лёгкие и не тянут вниз. Выглядят ...Читать полностью...