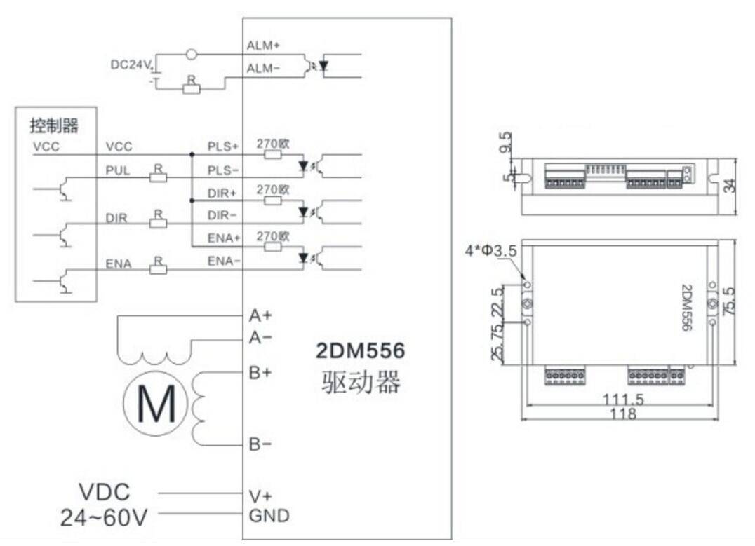
Обзор:
2DM556-это цифровой шаговый двигатель, недавно запущенный JMK. Он принимает самую последнюю 32-бит DSP технология. Пользователи могут установить разделение в пределах 25600 и любые несколько текущих значений в пределах номинального тока, которые могут удовлетворить потребности приложения в большинстве случаев. Из-за использования встроенной технологии микросегментации, даже в условиях низкой сегментации, эффект высокой сегментации может быть достигнут. Низкая, средняя и высокая скорость работы очень стабильная, и шум ультра-низкий. Привод имеет встроенную функцию автоматической настройки параметров, которая может автоматически генерировать оптимальные рабочие параметры для различных двигателей и максимизировать производительность двигателя.
Особенности:
Новая 32-битная технология DSP
Оптически изолированный дифференциальный входной сигнал (26LS32)
Ультра низкая вибрация и шум
Диапазон настройки деления составляет 2-128
Встроенное высокое подразделение
Двухфазный шаговый двигатель 4, 6, 8 проводов
Текущая Настройка может быть произвольно выбрана между номинальными значениями
Ток автоматически уменьшается наполовину в состоянии покоя
Частота импульсного отклика до 250 кГц
С функциями защиты, такими как перенапряжение, понижение напряжения и короткое замыкание
Функция ввода/вывода сигнала тревоги
Сигнал тревоги чистый вход Эна
Интерфейс RS232C может использоваться для загрузки параметров через ПК
Электрические индикаторы:
Диапазон входного напряжения постоянного тока 24 ~ 60 в (типичное значение 36 В)
Выходной ток 1,4 ~ 5.6A
Входная частота импульса 250 кГц
Логический вход 10 мА
Пульс Низкое время 2.5US
Использование окружающей среды:
Применение: старайтесь избегать пыли, масляного тумана и коррозионного газа
Рабочая температура: 0 ~ + 50 ℃
Температура хранения: -20 ℃ ~ + 80 ℃
Влажность: 40 ~ 90% относительной влажности
Метод охлаждения: Естественное охлаждение или принудительное воздушное охлаждение


Отзывы о других товарах
[2019-12-13 21:48:57]Гульчачак: Заказываю иногда на Алиэкспресс ,так как цены там намного отличаются от наших рыночных .К счастью магазин пока ни разу меня не разочаровывал.Заказывала данные туфли ,пришли через месяц в целой упаковке ,ничего не повреждено,и само качество товара порадовало.Туфли оказались точно такие же ...Читать полностью...
[2019-12-12 22:29:06]Надежда : Классное и удобное кружевное боди с длинным рукавом, заказывала на Aliexpress в чёрном цвете. Смотрится круто, очень роскошно, привлекательно и эффектно. Отлично сочетается в комбинации с юбкой-карандаш, классическими брюками или шортами. Подходит как для ежедневной носки на работу, так и на ...Читать полностью...
[2019-12-12 22:36:55]Александр: Заказали с женой данный девайс в подарок ее отцу, так как он в последнее время стал очень плохо слышать и врачи прописали слуховой аппарат. Дождались доставку ,спасибо этому сайту, отличный русскоязычный аналог AliExpress без этих кривых описаний и прочего. Аппарат оказался ...Читать полностью...
[2019-12-13 19:36:39]Оксана : Отличные брюки за такую цену, я даже не ожидала думалала по качеству будет хуже, а нет. Заказала брюки мужу на Aliexpress, приятная, довольно таки не тонкая ткань, на весну и лето самое то. Прадовец общительный всегда отвечал на вопросы быстро, он ...Читать полностью...
[2019-12-12 23:31:39]Ольга: Заказывала часики на сайте Aliexpress. Заказала по просьбе дочери. Доставка была достаточно быстрой, через 20 дней уже на почте. Выглядят часы точно также, как на фотографии продавца. Заказали с белым ремешком, хорошо прошит нитками, ничего не торчит. Стразы все на месте. ...Читать полностью...